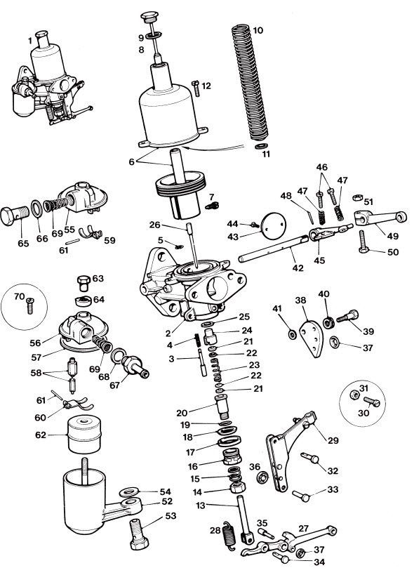
Carburetter H2 - 9M/U/H101 to 165937

Please click any component for product information

Click to download catalogue page 260kb

Return to section index